電動機保護器是經典的電機星三角啟動方式,主要是電動機保護器工作原理是保護熱繼電器,若使用熱繼電器對大型電機作保護,就會使大電線出現斷點,也就是進出熱繼電器的螺絲接線問題,容易出現發熱點和故障點。如果不用熔斷器和熱繼電器,而采用電機綜合保護器來實現,因為保護器是穿心式,就可以減少大電線的斷點,從而減少發熱點和故障點。
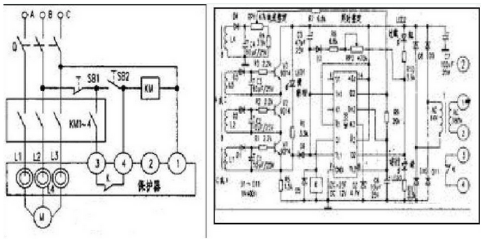
在圖1中,按下SB2,保護器得電工作,接觸器KM線圈得電吸合。電動機M得電開始工作,通過KM輔助觸點和保護器內繼電器常閉觸點K繼續給KM線圈和保護器供電,實現電路自鎖。電動機工作后,保護器內的電感線圈L1~L3產生感應電,分別經圖2中D1~D3半波整流、C1~C3濾波后變成直流電壓信號,通過電阻R1~R3加到三極管V1~V3的基極,V1~V3導通。斷相指示燈LED1滅,R5上端電壓等于保護器工作電壓,使D6處于反偏截止狀態,雙時基集成電路NE556的⑥腳TL1端和②腳TH1端均為高電位,處于復位狀態,⑤腳Q1端輸出低電平。繼電器K不動作。L4產生的感應電經D4半波整流,C4濾波后通過RP1滑動觸點、R7、R9、C6加到NE556的⑧腳TL2端和12腳TH2端,系統技術。由于電容器兩端電壓不能突變。通電瞬間C6兩端電壓為0V(只要低于K2端所接穩壓二極管DZ穩壓值的1/2即2。35V),TL2端獲置位信號,Q2端輸出高電平,運行指示燈LED3亮。如果電動機工作電流正常,L4產生的感應電就會很小,C6的充電電流也就很小,C6兩端的電壓就始終低于DZ的穩壓值4。7V,確保TH2端不會獲得復位信號。

電動機保護器工作原理
二、保護原理
1、斷相保護
當三相交流電源中任意一相斷(缺)相時,相應的電感線圈失去感應電壓。V1~V3中相應的三極管截止,此時斷相指示燈LED1亮。給出斷相指示。由于R5的阻值較小,其電壓降低于保護器工作電壓的1/3,所以NE556的TL1端獲置位信號,Q1端輸出高電平,繼電器線圈K得電吸合,其常閉觸點斷開,切斷圖1中自鎖回路,KM、保護器失電停止工作。由于V1、V2、V3的集電極與發射極串聯連接,構成一個三輸入端的與門電路,只要三個輸入端中有一個輸入電平為低,輸出就截止。
2、過載保護
當電動機過載時,電動機工作電流就會增加,同時L4產生的感應電壓也增加,C4兩端的電壓也隨之增加。該電壓經RP1的滑動觸點、R7、R9對C6進行充電,當C6兩端電壓大于穩壓管DZ的穩壓值4。7V時,NE556的TH2端獲復位信號,Q2端輸出低電平,運行指示燈LED3熄滅,過載指示燈LED2亮。這時,13腳D2端導通接地,C6通過R9開始放電。當C6兩端電壓低于DZ穩壓值時。TL2端又獲置位信號。Q2端又輸出高電平,D2端又截止,C6再次充電。當C6兩端電壓高于DZ穩壓值時,TH2端再次獲得復位信號,Q2端再次輸出低電平。這樣,D2、TL2、TH2、C6、R9等構成一個多諧振蕩器,使運行指示燈LED3和過載指示燈LED2交替閃亮。給出過載指示。與此同時,C5通過D7、R8、RP2、NE556的Q2端進行斷續充電。隨著充電電流的減小,C5負端的電壓逐漸降低。當低于保護器工作電壓時,NE556的TL1端獲置位信號,Q1端輸出高電平,K得電吸合,其常閉觸點斷開,KM、保護器失電停止工作。
3、過壓保護
當電網電壓升高時,電動機工作電流隨之增加,于是L4產生的感應電壓也同時增加,隨后的保護過程與過載保護過程相同。使用電動機保護器時必須注意控制線路的接線問題,以確保機器的正常運行,根據電動機保護器原理來它可以代替斷路器、接觸器、熱繼電器、熔斷器等低壓電器的一項產品。